Super stoked to see the oil separator and B&C PM/OV kit arriving in mail today.
- Installed the Oil separator pending hoses to be connected.
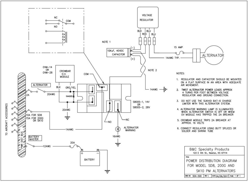
When it comes to B&C PM/OV kit, I was kind of caught off-guard. I have no illusion about my skills when it comes to electrical work. But little did I expect to get a package of items (it’s a kit that I bought) when I opened the box.
Oh boy did I not have a clue and so I took to research on the internet and on B&C website and created this legend of items. Perhaps some one out there in this internet world of things may also find it useful (if you are like me when it comes to electrical components)
Here it is Wiring Diagram >> Parts legend (2 pictures) >> Packing list >> Kit pack as it arrived in a well secured bag.
Now I need to find out if someone in my community can help me with right way of assembling it — Go figures for experimental aviation from Kit parts – LOL ![]()
![]()
![]()
![]()
![]()



